工作室


2.AKI-H8(H8/3048)によるエレキー(メッセージキーヤ)の製作




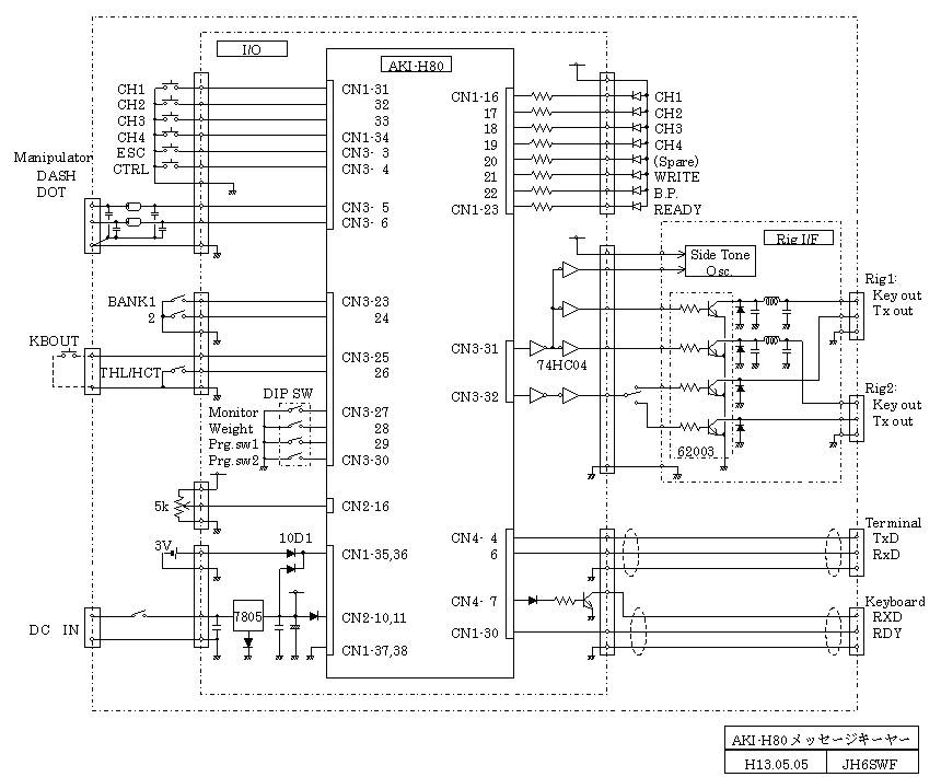
2.3 ハードウェア

(2) I/O基板
AKI−H80を乗せ、スイッチ、LED等とのI/FをとるI/O基板です。( 回路図
LEDの電流制限抵抗、キー出力及びスタンバイ出力のドライバ、キーボードとのI/F回路、及び電源がのります。
入力のプルアップ抵抗がCPU内蔵なので入力側は簡単でいいですね。


I/O基板全景

バックアップ電源は、5VレギュレータIC出力と電池をダイオード突き合わせ接続とします。ダイオードは手持ちにあった10D1を使いましたが、使用する電流も小さいので整流用であれば何でもいいでしょう。新たに入手される方は、順方向電圧降下の少ない物を選択されてください。5V出力にダイオードが直列に入るため、電源電圧が約0.7V下がります。そこで、5VレギュレータICのGND端子にもダイオードを入れて出力電圧を上げました。H8/3048の使用電圧の範囲は広いので、この程度電圧が下がっても問題なく使えるのですが、リセットICの動作電圧との差が小さくなる事を防ぐための対策です。尚、5VレギュレータICのGND端子にダイオードを入れたことで、レギュレータICの放熱面はグランドレベルではなくなります。レギュレータICをケースや放熱板に取り付ける場合は絶縁が必要です。
非バックアップ電源は同じ5VレギュレータICの出力を使います。CPUに加わるVcc電圧(バックアップ電源)との差をなくすためこちらにもダイオードを入れました。(H8/3048において、入力ポートの絶対最大定格入力電圧はVcc+0.3Vです。)


I/O基板完成写真(AKI−H80と接続)

キーイング回路及びスタンバイ回路は別基板として、CPU基板やI/O基板と離し、RFI対策にアルミ板でシールドしました。(完全に分離するためにはフォトカプラやリレーを使用するべきでしょうね。)
リグの切り替えは、最初ソフト的に行うつもりでしたが、結局、確実・簡単なスイッチ切り替えとしました。
555を使ったサイドトーン発振器も同じ基板上に有ります。

キーヤー内部写真




(3) キーボード入力とのI/F
NEC製PC-9821/9801のキーボード入力とのI/Fは、本来RXD(キーヤから見ると送信データ)、RDY(同CTS)、RTY(同DCD)の信号が有りますが、手元に適当な4ピン以上のコネクタが無く、ステレオミニプラグを使用したため、RTY信号は未接続でRDY信号のみ使用しています。AKI−H80には、シリアルポートの制御信号入出力は有りませんから、RDY信号は入力ポートを使用します。


前のページ    次のページ

AKI-H8によるエレキーの製作へ戻る

工作室メニューへ戻る